JZQ系列振动给料机、振动筛减震弹簧故障分析
所有振动设备包括一个用于给身体喂食或筛选身体的振动源,提供激振力,以及一个用于隔振的减震装置。每个部件都是振动设备的重要组成部分。
在振动设备中,由于减振弹簧失效而导致设备运行不稳定的问题时有发生。本文简要分析了减振弹簧的常见故障。
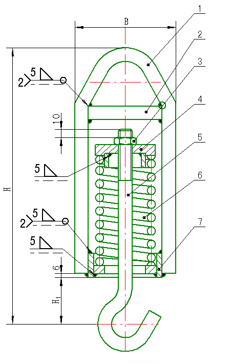
减震器主要由隔振弹簧和弹簧座组成,用于减小传递给基础和框架的动载荷。根据不同的安装方式和隔振要求,减振器有不同的结构形式。下图是振动给料机和振动筛最*常*用的钢弹簧减震器系列图:

在图中:1。吊环;2.支撑钢筋;3.坚果;4.弹簧上座;5.减震弹簧;6.钩子;7.降低弹簧座。
常见故障现象有:吊杆上弹簧座、螺母松动;振动期间,吊环和吊杆与减震弹簧碰撞,导致磨损,增加了吊环和吊杆断裂、吊杆螺纹加工和弯曲点断裂的风险,以及减震弹簧的质量问题(断裂、压缩等)。这种现象涉及到设计、制造、安装调试、使用和维护的各个环节。
减振器作为振动机械的重要组成部分,从弹簧材料选择、结构形状、安装方式、仓库压力等方面对减振器弹簧进行合理选择。
以下是在选择相对合理的情况下,分析减震弹簧失效的原因。以悬架减震装置为例,弹簧为金属螺旋弹簧。
失败的原因如下:
1、吊环和吊钩弯曲处存在应力集中,吊钩螺纹末端出现咬边。
2、装配过程中螺母未锁定。
3、安装调试时,四个吊点的调整松紧不一致,导致各吊点受力不平衡。
4、在运行过程中,进料不平衡,物料流量大或小,导致弹簧力不平衡,压缩和偏航不一致。
5、弹簧断裂或压缩。
鉴于上述情况,首先应考虑吊环的弯曲成形,避免应力集中影响材料性能。尽可能采用冷弯成型,改进设计,避免钩螺纹端部咬边;第二,组装时锁紧螺母,检查周边间隙是否一致,是否有倾斜。如果有,松开螺母并重新调整上部弹簧座至相同间隙,弹簧垂直。之后,当传送带正常运行时,尽量保证均匀的送料,减少突然的冲击。从缓冲槽、进料方式等开始,尽量避免力不平衡。严格加强外购减震弹簧的质量控制,要求供应商在供货过程中提供符合质量要求的检验证明。
总之,我们应该从细节入手,认真对待设计、生产、安装、调试、运行和维护的每个环节,以延长减震器的使用寿命。


